|
一、概述 KS系列雙線分配器適用于公稱壓力為20MPa雙線式干油集中潤滑系統中,作為一種計量給油裝置它在兩條供油主管交替的供油壓力作用下,直接由供油壓力控制活塞動作給油,完成向潤滑點定量分配潤滑脂的功能。 該系列雙線分配器出油口均布在底面,分配器活塞正反向動作均從同一給油口排出潤滑脂,還可以從指示桿的動作直接觀察分配器的工作情況,同時還可通過調螺釘在規定的范圍內方便地調整各個出油口的給油量。
| |
| 二、技術參數 |
|
|
型 號 |
出油口數 |
公稱壓力MPa |
給油mL/循環 |
調整螺釘每轉一圈調整量ml |
重量kg |
|
KS-31 |
1 |
20 |
0.2-1.2 |
0.06 |
0.8 |
|
KS-32 |
2 |
1.4 |
|
KS-33 |
3 |
1.8 |
|
KS-34 |
4 |
2.3 |
|
KS-41 |
1 |
0.6-2.5 |
0.10 |
1.0 |
|
KS-42 |
2 |
1.9 |
|
KS-43 |
3 |
2.7 |
|
KS-44 |
4 |
3.2 |
|
KS-51 |
1 |
1.2-5.0 |
0.15 |
1.4 |
|
KS-52 |
2 |
2.4 |
|
KS-53 |
3 |
3.5 |
|
KS-54 |
4 |
4.6 |
|
KS-61 |
1 |
3.0-14.0 |
0.68 |
2.4 |
|
KS-62 |
2 |
4.2 |
|
KS-62-1 |
1 |
6.0-28.0 |
4.2 | |
| 適用介質為錐入度不低于295(25℃,150g)1/10mm潤滑脂(NLGI0#~1#)或粘度等級大于N68的潤滑油;使用環境溫度為-10℃~+80℃,使用介質為潤滑油時,可在10MPa壓力下使用。 |
| |
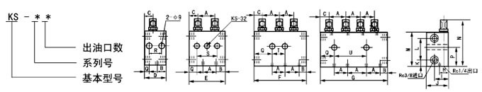
| 三、型號說明 |
 |
| |
| 四、外形尺寸 |
 |
|
型號 |
A |
B |
C |
D |
E |
F |
G |
H |
I |
J |
K |
L |
M |
N |
P |
Q |
R |
S |
T |
U |
|
KS-31 |
- |
8 |
21.5 |
44 |
- |
- |
- |
10 |
26 |
38 |
11.5 |
42 |
65 |
101.5 |
39 |
10 |
24 |
- |
- |
- |
|
KS-32、KS-33、KS-34 |
29 |
8 |
21.5 |
- |
73 |
102 |
131 |
10 |
26 |
38 |
115 |
42 |
65 |
101.5 |
41 |
36.5 |
- |
- |
29 |
58 |
|
KS-40 |
32 |
9 |
24 |
49 |
81 |
113 |
145 |
10.5 |
28.5 |
40 |
11 |
54 |
76 |
126 |
48 |
10.5 |
28 |
60 |
91 |
123 |
|
KS-50 |
37 |
9 |
25.5 |
53 |
90 |
127 |
164 |
12 |
33 |
45 |
13 |
57 |
83 |
136 |
53 |
10 |
33 |
70 |
107 |
144 |
|
KS-60 |
46 |
10 |
29 |
62 |
108 |
- |
- |
20 |
-45 |
57 |
16 |
57 |
89 |
151 |
56 |
10 |
42 |
88 |
- |
- | |
| |
|
五、訂貨須知 分配器安裝使用環境溫度在-10℃~+80℃以外的必須在訂貨合同中注明,以便供貨時使用耐低、高溫油封。
|
| |