|
一、概述 JPQ-K系列(原ZP型)遞進分配器適用于公稱壓力為16MPa的單線遞進式干油集中潤滑系統中,把潤滑脂定量地分配到各個潤滑點。
| |
| 二、技術參數 |
|
|
型號 |
公稱壓力Mpa |
每出油口額定給油量ml/循環 |
啟動壓力Mpa |
組合片數 |
出油口數 |
|
|
原型號 |
|
※ JPQ1-K ※ |
ZP-A |
16 |
0.07 0.1 0.2 0.3 |
≤1 |
3-12 |
6-24 |
|
※ JPQ2-K ※ |
ZP-B |
0.5 1.2 2.0 |
|
※ JPQ3-K ※ |
ZP-C |
0.07 0.1 0.2 0.3 |
4-8 |
6-14 |
|
※ JPQ4-K ※ |
ZP-D |
0.5 1.2 2.0 | |
| 使用介質為錐入度不小于265(25℃,150g)1/10mm潤滑脂或粘度等級大于N68的潤滑油。適用環境溫度-20~80℃。 |
| |
| 三、外形尺寸 |
 |
|
出油口個數 |
6 |
8 |
10 |
12 |
14 |
16 |
18 |
20 |
22 |
24 |
|
片數 |
3 |
4 |
5 |
6 |
7 |
8 |
9 |
10 |
11 |
12 |
|
H mm |
48 |
64 |
80 |
96 |
112 |
128 |
144 |
160 |
176 |
192 |
|
重量kg |
0.91 |
1.2 |
1.5 |
1.7 |
2.0 |
2.3 |
2.5 |
2.8 |
3.1 |
3.3 | |
| |
 |
|
出油口個數 |
6 |
8 |
10 |
12 |
14 |
16 |
18 |
20 |
22 |
24 |
|
片數 |
3 |
4 |
5 |
6 |
7 |
8 |
9 |
10 |
11 |
12 |
|
H mm |
75 |
100 |
125 |
150 |
175 |
200 |
225 |
250 |
275 |
300 |
|
重量kg |
3.5 |
4.5 |
5.5 |
6.5 |
7.5 |
8.5 |
9.5 |
10.5 |
11.5 |
12.5 | |
| |
 |
|
出油口個數 |
8 |
10 |
12 |
14 |
16 |
|
片數 |
4 |
5 |
6 |
7 |
8 |
|
H mm |
100 |
125 |
150 |
175 |
200 |
|
重量kg |
4.5 |
5.5 |
6.5 |
7.5 |
8.5 | |
| 四、型號說明 |
|
| |
| 五、使用說明 |
|
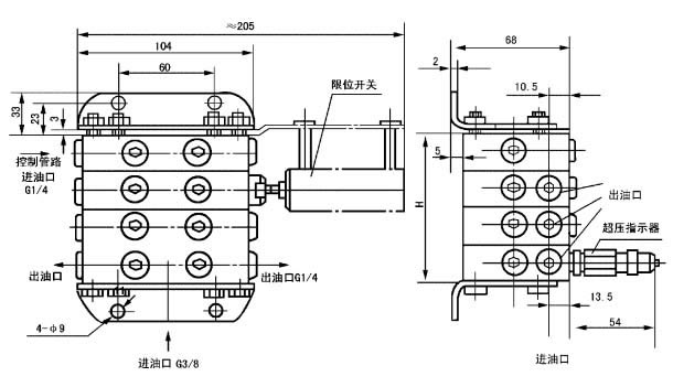
1、分配器為單柱塞多片組合結構,每片有兩個出油口,分為JPQ1、JPQ2、JPQ3 和JPQ4四種形式。 ①每種形式的分配器,一般按額定給油量相等的單片組合,需要時也可將額定油量不同的單片混合組合。 ② JPQ4型組合時需有一片控制片,此片無給油口。 ③相鄰的二個或二個以上的給油口可以合并成一個給油口給油,此給油口的給油量為所有被合并給油口的額定給油量之和。 2、JPQ1型和JPQ2型分配器在系統中串聯使用,JPQ3型和JPQ4型分配器在系統中并聯使用。 3、分配器均裝有一個運動指示桿,用于觀察分配器工作情況。根據需要還可以安裝限位開關,對潤滑系統進行控制和監視。 4、JPQ2型、JPQ4型分配器根據需要可以安裝超壓指示器。
六、訂貨須知 同種型式、額定給油量不同的單片混合組合或多個出油口合并給油,訂貨時須另行說明。
|
| |