|
一、概述 KJ、KM、KL系列單線遞進式分配器,適用于潤滑點密集、耗脂量不同,給油頻繁單線集中潤滑系統中,組成子母式分配系統實現分區控制進行潤滑的場合。 KJ、KM、KL系列單線遞進式分配器,它由中碳合金結構鋼制造的供給體、端部體和3~8片根據設計需要所確定的給油量和出油口數的中間體組合而成。分配器的正常出口設置于分配器的兩側面,在上面還設置有預備出口,各中間體的出油口內均裝有止回閥,能徹底防止因潤滑點背壓作用而產生潤滑脂的逆流,保證了各出油口的給油量定量、準確。
| |
| 二、技術參數 |
|
|
型式 |
KJ |
|
活塞種類 |
5T |
5S |
10T |
10S |
15T |
15S |
10T |
|
給油量ml/循環 |
0.082 |
0.164 |
0.164 |
0.328 |
0.246 |
0.492 |
0.164 |
|
出油口數 |
2 |
1 |
2 |
1 |
2 |
1 |
2 |
|
最高壓力 |
14Mpa 7Mpa |
|
型式 |
KM |
|
活塞種類 |
10S |
15T |
15S |
20T |
20S |
25T |
25S |
30T |
30S |
35T |
35S |
|
給油量ml/循環 |
0.328 |
0.246 |
0.492 |
0.328 |
0.656 |
0.413 |
0.820 |
0.492 |
0.984 |
0.574 |
1.148 |
|
出油口數 |
1 |
2 |
1 |
2 |
1 |
2 |
1 |
2 |
1 |
2 |
1 |
|
最高壓力 |
21Mpa 10Mpa |
|
型式 |
KL |
|
活塞種類 |
25T |
25S |
50T |
50S |
75T |
75S |
100T |
100S |
125T |
125S |
150T |
150S |
|
給油量ml/循環 |
0.410 |
0.820 |
0.820 |
1.640 |
1.230 |
2.460 |
1.640 |
3.280 |
2.050 |
4.100 |
2.460 |
4.920 |
|
出油口數 |
2 |
1 |
2 |
1 |
2 |
1 |
2 |
1 |
2 |
1 |
2 |
1 |
|
最高壓力 |
21Mpa 10Mpa | |
適用介質為錐入度不低于265(25℃,150g)1/10mm的潤滑脂或粘度等級大于N120的潤滑油: 適用環境溫度為-10℃~80℃。 |
| |
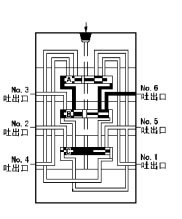
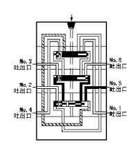
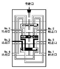
| 三、動作說明 |
|
1、通過潤滑泵加壓送出的潤滑劑,經供給口流入按圖示箭頭方向分別推動活塞A、B、C 動作。此時活塞A、B左腔在油壓的作用下處在右位不動,活塞C右腔進入壓力,油開始向左移動。
|
|
2、流入的潤滑劑推動活塞C向左移動,左腔的潤滑劑壓向NO.1吐出口經外部配管送向潤滑點。當活塞C運動至左極限時活塞B右腔開始進入潤滑劑。
|
|
3、流入的潤滑劑推動活塞B向左移動,左腔的潤滑劑壓向NO.2吐出口經外部配管送向潤滑點。當活塞B運動至左極限時活塞A 右腔開始進入潤滑劑。
|
|
4、流入的潤滑劑推動活塞A向左移動、左腔的潤滑劑壓向NO.3吐出口經外部配管送向潤滑點。當活塞A運動至左極限時活塞C右腔開始進入潤滑劑。
|
|
5、流入的潤滑劑推動活塞C向右移動、右腔的潤滑劑壓向NO.4吐出口經外部配管送向潤滑點。當活塞C運動至右極限時活塞B左腔開始進入潤滑劑。
|
|
6、流入的潤滑劑推動活塞B向右運動、右腔的潤滑劑壓向NO.5吐出口,經外部配管送向潤滑點。當活塞B移動到至右極限時活塞A左腔開始進入潤滑劑。
|
|
7、流入的潤滑劑推動活塞A 向右運動、右腔的潤滑劑壓向NO.6吐出口,經外部配管送向潤滑點。當活塞A移動到至右極限時返回到初始1狀態,繼續重復上述動作。
| |
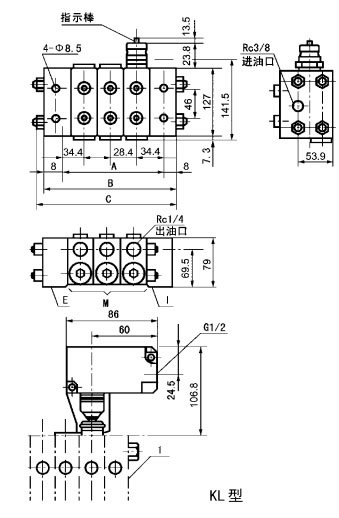
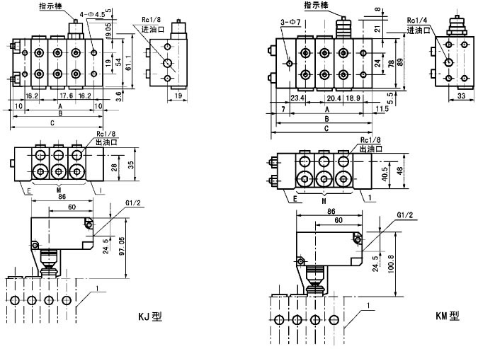
| 四、外形尺寸 |
|
|
|
|
KJ-*不帶循環指示器和循環開關時尺寸參數表 |
|
形式 |
組合片數 |
A |
B |
C |
供給口徑 |
吐出口徑 |
最大吐出口數 |
重量kg |
|
L |
M |
E |
|
KJ-3 |
1 |
3 |
1 |
67.6 |
87.6 |
91.1 |
Rc1/8 |
Rc1/8 |
6 |
1.3 |
|
KJ-4 |
1 |
4 |
1 |
85.2 |
105.2 |
108.7 |
8 |
1.5 |
|
KJ-5 |
1 |
5 |
1 |
102.8 |
122.8 |
126.3 |
10 |
1.8 |
|
KJ-6 |
1 |
6 |
1 |
120.4 |
140.4 |
143.9 |
12 |
2.0 |
|
KJ-7 |
1 |
7 |
1 |
138 |
158 |
161.5 |
14 |
2.3 |
|
KJ-8 |
1 |
8 |
1 |
155.6 |
175.6 |
179.1 |
16 |
2.5 | |
| |
|
KM-*不帶循環指示器和循環開關時尺寸參數表 |
|
形式 |
組合片數 |
A |
B |
C |
供給口徑 |
吐出口徑 |
最大吐出口數 |
重量kg |
|
L |
M |
E |
|
KM-3 |
1 |
3 |
1 |
83.1 |
101.1 |
112 |
Rc1/8 |
Rc1/8 |
6 |
2.9 |
|
KM-4 |
1 |
4 |
1 |
103.5 |
122 |
133 |
8 |
3.5 |
|
KM-5 |
1 |
5 |
1 |
123.9 |
142.4 |
153 |
10 |
4.0 |
|
KM-6 |
1 |
6 |
1 |
144.3 |
162.8 |
173 |
12 |
4.6 |
|
KM-7 |
1 |
7 |
1 |
164.7 |
183.2 |
194 |
14 |
5.2 |
|
KM-8 |
1 |
8 |
1 |
185.1 |
203.6 |
214 |
16 |
5.7 | |
| |
|
KL-*不帶循環指示器和循環開關時尺寸參數表 |
|
形式 |
組合片數 |
A |
B |
C |
供給口徑 |
吐出口徑 |
最大吐出口數 |
重量kg |
|
L |
M |
E |
|
KL-3 |
1 |
3 |
1 |
125.6 |
141.6 |
168 |
Rc3/8 |
Rc1/4 |
6 |
11.1 |
|
KL-4 |
1 |
4 |
1 |
154 |
170 |
196 |
8 |
13.3 |
|
KL-5 |
1 |
5 |
1 |
182.4 |
198.4 |
225 |
10 |
15.5 |
|
KL-6 |
1 |
6 |
1 |
210.8 |
226.8 |
253 |
12 |
17.7 |
|
KL-7 |
1 |
7 |
1 |
239.2 |
255.2 |
282 |
14 |
19.9 |
|
KL-8 |
1 |
8 |
1 |
267.6 |
283.6 |
310 |
16 |
22.1 | |
| |
| 五、型號說明 |
 |
| |
|
六、超壓指示器 安裝于分配器的預備出口,當潤滑點或管路阻塞時,壓力升高超過規定值時,指示器外部稍伸出。通過系統發出的故障信號,現場查找指示器有否伸出就可直接查到所阻塞的部位。
|
七、溢流指示器 安裝于環境惡劣易發生阻塞部位的各分配器預備出口上,當潤滑點或管路阻塞時,壓力異常升高超過規定值時,分配器被阻塞點的所供脂從溢流口向外溢出,經查看溢流點即為被阻塞的故障點。 只適用于連續作業部位,不許影響其它分配器動作的場合。 吐出口標記說明: T:為基本標準型,有二個出口分別從中 間體二側出油。 S:只有一個出口(T 型二出口相通),油 量是T 型的二倍,左側或右側出油均可。 LC:沒有左出口,從進油方向看左側出口 與鄰接的后一片出口合并油量。 RC:沒有右出口,從進油方向看右側出口 與鄰接的后一片出口合并油量。 2C:沒有出口,左右出口均與鄰接的后一 片出口合并油量。 |
| |
八、訂貨須知 訂貨時用完整的型號訂購并提供聯接示意圖。 例:KM-3(15T+25T2C+30S)R |
 |
| |