KMPS系列單線手動潤滑泵
| |||||||||||||||||||||||||
| |||||||||||||||||||||||||
| 三、工作原理 | |||||||||||||||||||||||||
|
手動潤滑泵是借人工擺動手把,通過齒輪帶動齒條活塞往復運動實現向外供油的,當活塞處于圖示極限位置時,潤滑脂通過吸入口吸入并充滿活塞的右腔,當活塞向右移動時,被吸入的潤滑脂在油壓的作用下頂開單向閥壓送至出口向外排出,當系統中主分配器的一計量油口返回至回油指示器的油量達到3.2mL時,指示桿全部伸出,證明系統所有潤滑點已得到所需的潤滑油量,此時停止操作手把并把指示桿向內壓進,為下循環準備,指示器內的潤滑脂經單向閥返回貯油桶內。
![]() | |||||||||||||||||||||||||
|
| |||||||||||||||||||||||||
| 四、操作方法 1、將回油指示器的指示桿推進。 2、擺動手柄前后運動,壓力表指針波動變化,證明系統分配器在進行給油動作。 3、回油指示器的指示桿全部伸出,證明系統分配器已完成一個給油潤滑循環。 4、將回油指示器的指示桿推進,為下一個循環作準備。 | |||||||||||||||||||||||||
| 五、型號說明 | |||||||||||||||||||||||||
![]() | |||||||||||||||||||||||||
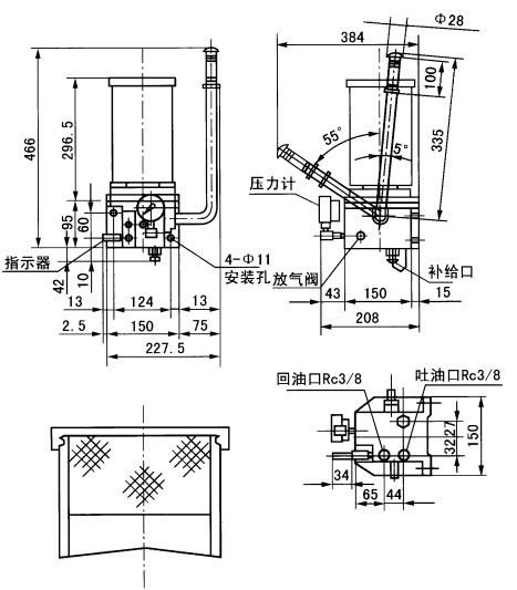
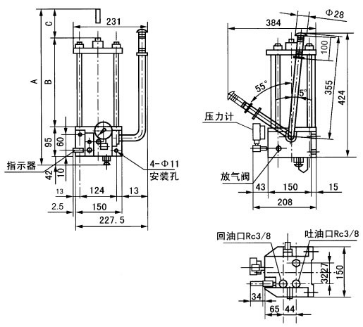
| 六、外形尺寸 | |||||||||||||||||||||||||
![]() | |||||||||||||||||||||||||
![]() | |||||||||||||||||||||||||
| 六、使用說明 1、手動潤滑泵應垂直安裝,泵的上方及周圍要留有指示桿上升及補脂操作的空間。需在室外或環境惡劣的場合安裝時,應將泵置于防護罩內。 2、貯油器內無潤滑脂時,不許操縱手柄,至下油位應及時補脂。 3、向貯油器內補脂,必須使用手動或電動補脂泵從補脂口充填。 4、安全閥出廠已調至公稱壓力,無故不許隨意調節。 5、泵上回油指示器的作用是操作者通過觀察指示器活塞指示桿的運動行程,就可知道潤滑系統的供油狀況。使用時,先計算好各潤滑部位所需的給油量,配置分配器,并把主分配器上多設的一個出油口與手動潤滑泵的回油口接通,使潤滑脂返回到指示器中,如返回的油量累計達到3.28mL,則指示器的活塞指示桿全部伸出,表示各潤滑點已根據需要完成一個周期的給油,應停止供油并把回油指示器的指示桿推進。 | |||||||||||||||||||||||||
| 七、常見故障處理 | |||||||||||||||||||||||||
| |||||||||||||||||||||||||
- 上一條 SGZ-4/8F型手動潤滑泵
- 下一條 JRB-3型腳踏潤滑泵





