YQ-I保壓式油氣潤滑站
| 一、概述 保壓式油氣潤滑系統由油氣站,空氣操作儀表盤組成和多個油氣操作盤組成,油氣操作盤上裝有油氣混合器、電磁換向閥、節流閥等。油站將潤滑油打入各個并聯支路,主管路中保持一定壓力,每條支路可以通過電磁閥控制其通斷,進入油氣混合器的油被定量分配,然后在不間斷空氣的作用下進入潤滑點,對其進行潤滑。該系統的特點是各支路可相互獨立工作,對需分區分時潤滑的場合尤為適用。 | ||||||||||||
| 二、技術參數 | ||||||||||||
| ||||||||||||
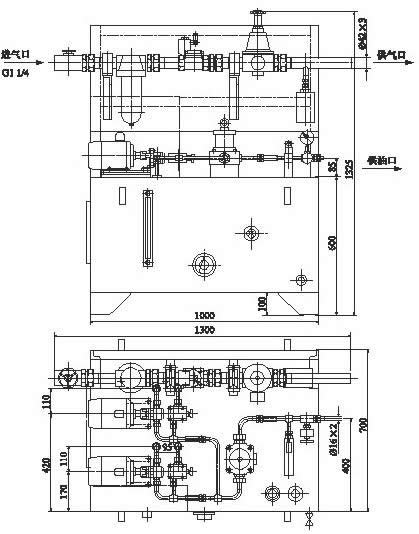
| 三、外形尺寸 | ||||||||||||
![]() | ||||||||||||
|
四、油氣操作盤: 油氣操作盤由油氣混合塊、電磁換向閥、分線盒等主要元件組成,油氣混合塊生成油氣輸入到潤滑點,電磁換向閥控制該油路的通斷。 五、空氣操作盤: 空氣操作盤主要由濾氣器、減壓閥等空氣處理元件組成,其作用是將一定壓力的空氣輸入到油氣混合塊。 |

