YQWXZ-G型油氣衛星站
| 一、結構特點及應用范圍 | ||||||||||
| YQWXZ-G型油氣衛星站,是集潤滑油液定量分配、壓縮空氣處理、油-氣混合于一體的集成化產品,全部元件均集成安裝在一防護箱內,適用于不同工況條件下的單線-多區式大型油氣潤滑系統中。 | ||||||||||
| 二、技術參數 | ||||||||||
| ||||||||||
| 三、外形圖 | ||||||||||
![]() | ||||||||||
|
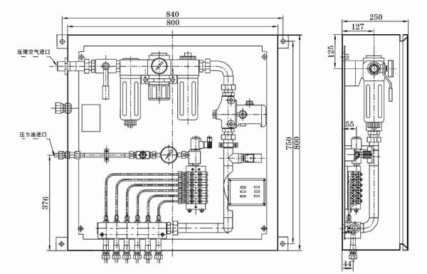
2~6出口油氣衛星站外形圖 | ||||||||||
![]() | ||||||||||
|
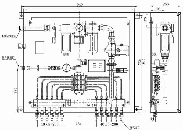
7~12出口油氣衛星站外形圖 | ||||||||||
| 四、型號說明 | ||||||||||
![]() | ||||||||||
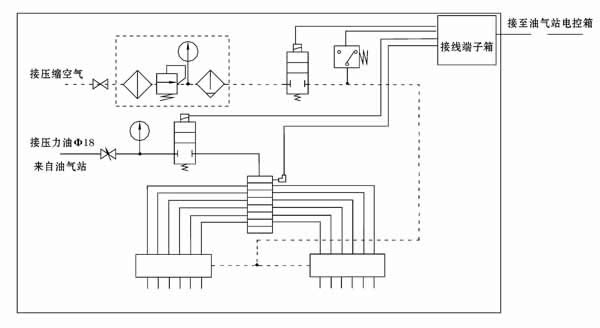
| 五、原理圖 | ||||||||||
![]() | ||||||||||
| 六、功能說明 | ||||||||||
| 油氣衛星站由二位二通電動止回閥、KM型單線油分配器、氣動三聯件、二位二通氣動電磁閥、油氣混合器以及各種連接件等組成。潤滑油供應站供送過來的壓力油,經二位二通電動止回閥、KM型單線油分配器定量分配,分配出的若干份油分別送至各口的油氣混合器進行油氣充分混合,而后分別向后級的油氣分流器進行再分流或直接供向潤滑點。衛星站的工作控制接受油氣潤滑系統的主PLC電氣控制箱控制。 | ||||||||||
| 七、使用要領 | ||||||||||
| 1、油氣衛星站應安裝在灰塵少、振動小、受高溫輻射熱影響小,且便于調整、檢查方便的地方。 2、油氣衛星站的進氣接口必須與工廠壓縮空氣(允許使用氮氣)供氣管線相連,決不允許使用其它介質的氣體,以免發生安全事故。 3、正常工作使用期內,應定期給氣動三聯件的儲水杯進行排水。 |
- 上一條 YFLK*型油氣分流器
- 下一條暫無




